Revista de Investigaciones Universidad del Quindío,

34(S5), 217-230; 2022.

ISSN: 1794-631X e-ISSN: 2500-5782


Esta obra está bajo una licencia Creative Commons Atribución-NoComercial-SinDerivadas 4.0 Internacional.


A REVIEW OF MICRO AND NANOPOROUS POLYMERIC FOAMS: PROPERTIES, PREPARATION TECHNIQUES, FOAMING AGENTS AND USAGE AREAS


UNA REVISIÓN DE LAS ESPUMAS POLIMÉRICAS MICRO Y NANOPOROSAS: PROPIEDADES, TÉCNICAS DE PREPARACIÓN, AGENTES ESPUMANTES Y ÁREAS DE USO



Nihayet Koçyi̇ği̇t1*.


1.Batman University. nihayet.kocyigit@batman.edu.tr


* Corresponding author: Nihayet Koçyi̇ği̇, e-mail: nihayet.kocyigit@batman.edu.tr



Abstract


The aim of this study is to give general information about all different polymer foam materials with various morphologies, pore sizes and properties. Therefore, firstly, the formation principles and techniques and properties of polymer foams are explained, and then information is given about the physical and chemical foaming agents used in the preparation of polymer foams. Then, an overview of the articles on polymer foam materials is presented.


Keyword:
Polymer foam; Foaming agent; Types of polymer foam; Nanoparticle.


Resumen


El objetivo de este estudio es proporcionar información general sobre todos los diferentes materiales de espuma polimérica con diversas morfologías, tamaños de poro y propiedades. Por lo tanto, en primer lugar, se explican los principios y técnicas de formación y las propiedades de las espumas poliméricas, y luego se proporciona información sobre los agentes espumantes físicos y químicos utilizados en la preparación de espumas poliméricas. Luego, se presenta una descripción general de los artículos sobre materiales de espuma polimérica.


Palabra clave:
Espuma polimérica; Agente espumante; Tipos de espuma polimérica; Nanopartícula


Introduction


Conventional materials are metals, ceramics, polymers and composites, and the foam forms of all materials are produced. Large size materials can be obtained with the production of foam material by using less material, thus a considerable amount of materials can be saved. Thermal stability, electrical conductivity, mechanical properties and optical properties of foam materials are superior than the conventional materials. Therefore, the foam materials are used in a various sectors such as automotive, construction, defense industry, space and aviation. Foams are considered a new material class in science community due to the superior characteristics, wide range of use and cost effective. Polymeric foams are the most preferred foam materials.


Polymeric foams are porous polymers produced by the expansion of foamers in a gas or liquid form, which can turn into volatile gas within the polymer matrix. The polymeric foams were first introduced in 1840 by foaming natural rubber latex with ammonium carbonate, and continues to be produced due to its superior properties [1].


Foams of all thermoplastic and thermoset polymers can be produced. Studies on thermoset nanocomposite foams are much less than that of thermoplastic nanocomposites. The most common thermoset foam is PU, and followed by epoxies, urea-formaldehyde, phenol-formaldehyde, silicones, and cellulose acetate. The polymeric foams such as PE, PP, PVC, PS, and PC ethylene copolymers, polyolefins and acrylonitrile-butadiene-styrene (ABS) copolymer are produced from the thermoplastics (Figure 1). The PU, PS and PVC are the most commonly used polymers in foam production, and constitute 70-80% of the total polymer foams. The PU consumption is more than 50%, and the PS consumption is approximately 26% [2]. The production of a polymer foam depends not only on the type and properties of the polymer, but also on the foaming method, the processing cost and the intended use [2]. The mechanical properties of a polymer foam can be improved by modifying the type of polymer matrix, foam production method and gas pressure [3].


Figure 1. Thermoset and thermoplastic polymeric foams: (a) Spray polyurethane foam, (b) Acoustic polyurethane foam, (c) Silicone foam, (d) Cellulose acetate foam, (e) phenol foam, (f) Elastomeric rubber foam, (g) Polyethylene foam, (h) Polypropylene foam, (i) Polyvinyl chloride foam, (k) Polystyrene (XPS) foam, (m) Polystyrene (EPS) foam, (n)ABS foam [4]


The polymeric foams are classified as closed-cell and open-cell based on their cell morphology. The polymer type and the appropriate foaming method can control whether the polymeric foam will be open-cell or closed-cell. Each cell in a closed-cell foam is independent of neighboring cells, while all cells are in contact with each other in an open-cell foam and there are no cell walls between the cells. The cell structure of an open-cell and closed-cell polymer is given in Figure 2.


a b


Figure 2.
Cell shapes in polymers: (a) Open cell structure in polymer foam, (b) Closed cell structure in polymer foam [5]


Polymeric foams are not completely produced in open or closed cell structure. Both types of pores are found in the foam, but one of the cell structure is more dominant than the other. For example, polyurethane foams have both open and closed cells, but the ratios of closed cells is 85-90% higher compared to the open-cells. Thus, the polyurethane foams is considered as a closed-cell polymeric foam. Flexible foams are generally open-celled, while rigid foams such as polystyrene foam are closed-cell. The closed-cell foams have the ability to absorb significant impact forces. Therefore, the closed cell foams are used as packaging and supporting material. Polypropylene, polyethylene, polylactic acid and polystyrene are the most widely used closed-cell thermoplastic polymeric foams. The open-cell foams are generally flexible and have high sound absorption ability; therefore, used in sound insulation [2].


Polymeric foams, which are the majority of foams produced, have superior properties compared to non-foam polymers due to the gas pores in their structure. Polymeric foam materials have lower density than conventional materials. In addition, the polymeric foam materials have high material savings, high strength/weight ratio, cost efficiency, high heat and sound insulation capacity, impact resistance, toughness, fatigue life, thermal stability, low electrical conductivity, low thermal conductivity. The polymeric foams are used in various purposes such as furniture transport, motorcycle helmets, carpet and floor mats, packaging, textiles, toys, insulation applications due to their superior properties, and the use of polymeric foams are expanding every day. Therefore, the polymeric foam is accepted as a new material in the science community [6].


The pores in the polymeric foam structure reduce the density of material, thus, less amount of material is used in the production. For example, EPS foam constitutes 98% air and 2% polystyrene polymer [7]. High pore volume decreases the material used and lowers the product cost. The density of a polymer can be modified by controlling the ratio of pores in the polymeric foam structure. Thus, various polymers with different properties can be produced to be used for different purposes in different places.


In addition to the density of foams, the size and distribution of cells also affect the properties of the final foam products. The cells of polymeric foams can be of different sizes, including >100 µm (macro-cell (traditional), 1-100 µm (micro-cell) and nano-cell (0.1-100 nm) [1,6,8]. Therefore, the nanocomposite foams have superior properties than the composite foams with micro and macro cells [6].


Polymeric foams are classified as conventional polymeric foams and nanocomposite foams. Conventional polymeric foams consist of two phases: solid polymeric phase and physical foamers such as CO2, N2, pentane or gas obtained from chemical foamers. Nanocomposite foams consist of three phases: polymeric matrix, nanoparticle added to the matrix, and blowing agent [9].


Polymeric nanocomposite foams are accepted as a new material class in the scientific community due to the superior properties compared to conventional polymeric foams. Physical and chemical properties, thermal stability and electrical conductivity of nanocomposite foams are superior than the conventional polymeric foams due to the nanoparticles in their structure. The nanoparticles strengthen the microstructures and thus, the mechanical strength of the final products are improved. In normal polymeric foams, the thickness of the cell wall is in micrometers or less than micrometers, while the thickness and strength of the cell walls increase with the added nanoparticles. In addition, nucleation is initiated for the formation of micro-cell structures. The nanoparticles, with extremely high aspect ratio and large surface areas, increase the contact between the polymer matrix and the blowing gas, resulting in higher efficiency foam formation. Thus, polymeric foams with different densities and properties can be produced [10-12].


Three different types of nanoparticles are used in the production of nanocomposites. The first type of nanoparticles has only one size in nanometer scale, and they have a platelet-like structure. The lateral size of the second nanoparticle type is in the range of several hundred nanometers to microns, while the thickness is usually a few nanometers. The second nanoparticles are generally in layered structure and one of the best examples of these types is clay. The two dimensions in the third type of nanoparticles are in nanometer scale. The third dimension is larger; therefore, the particles have an elongated structure and are fibrous. Nanotubes and nanofibers are the best examples of this group. All three dimensions of the third type of nanoparticles can be in nanometer scale. Spherical silica particles, nanocrystals, gold and other metal nanoparticles are the best examples of the third type of nanoparticles [10,11]. The addition of small amounts of these nanoparticles ensures that the resulting material has superior mechanical properties, thermal stability, optical properties, heat and electrical conductivity without sacrificing the light weight of the polymer matrices. The polymer nanocomposites are widely used in the automotive, aerospace, construction and electronics industries, due to aforementioned superior properties [11].


Effect of Nanoparticles on Foam Morphology


The foaming process takes place in two basic steps, which are bubble nucleation and growth. A new phase (bubble phase) is produced in the nucleation step from the initially homogeneous polymer-gas mixture. The bubble nuclei develop into final bubbles in the growth step. Both steps are affected by many physical properties such as viscosity, gas solubility, surface tension and glass transition temperature [11,13].


In polymeric nanocomposite foam production, the most suitable method to obtain foam cells with a controlled structure and uniform distribution is adding a nucleating agent to decrease the nucleation free energy. The most common agent are inorganic nucleating agents. A very small distribution of the nucleating agents can facilitate the formation of nucleation centers for the gas phase. Although the studies on nucleation mechanism are continuing, preliminary studies revealed that the size, shape, and distribution of particles, as well as surface treatment, can affect the nucleation efficiency. Nucleation in PS microcellular foaming was investigated using zinc stearate additives. The results of study revealed that heterogeneous nucleation predominates above the solubility limit, and the nucleation rate increases with zinc stearate concentration, but is not affected by gas pressure [14-16]. The presence of fillers promotes gas deposition and formation of nucleation sites at the polymer-particle interface. In addition, the foams with thinner fillers have a higher cell density at high saturation pressure [10].


The amount and distribution of nucleating agents are also important in determining foam quality. The cell density of foams is determined by the concentration of the foaming agent. An uneven distribution of nucleation agents cause the formation of a foam with more cells in the agent-rich area and fewer cells in the agent-deficient areas, which results in an uneven cell size distribution in the foam. The number and size of the bubbles are determined by the concentration of the foaming agent. Therefore, the uniformity of the cell structure and the cell density are determined by the method used to mix the foaming agents and the polymer. Obtaining a uniform cell structure with high cell density is difficult in the conventional foaming process [11,17].


Nanoparticles used in foaming processes have superior advantages in improving nucleation compared to conventional micron-sized filler particles. The extremely fine size and large surface area of the nanoparticles allow to have a much closer contact between the particles and the polymer matrix. In addition, more advanced properties can be obtained at a low particle concentration. Both can lead to nucleation efficiency. The studies indicated a rapid increases in cell density with the increase in the particle concentration [18,19].


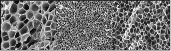
The effect of nanoparticles on cell size was investigated, the results showed that the cell size decreased in the presence of nanoparticles. Less gas is available for bubble growth when more bubbles start to nucleate simultaneously, thus results in reduced cell size. In addition, nanoparticles can significantly increase melt viscosity [10,17]. Various cell morphologies of PS foams are shown in Figure 3.


Figure 3. Cell morphologies: (a) PS foam (scale bar 50 µm, Cell size: 20 µm; Cell density: 8,23x107), (b) PS/1%CNFs nanocomposite foam (scale bar 20 µm, Cell size: 2.64 µm, cell density: 2,78x1010), (c) PS/%0.1 CNTs nanocomposite foam (scale bar 20 µm, Cell size: 7,11µm, Cell density: 1,44x109) [10]


Zeng et al. (2003) synthesized poly(methyl methacrylate) and polystyrene-clay nanocomposites and obtained an exfoliated clay dispersion. Nanocomposite foams were transformed into nanocomposite polymer foams by blowing with CO2. Nucleation is highly increased by the interaction of clay nanoparticles with polymer and CO2 [20]. Cao et al. (2005) synthesized polyurethane (PU)/montmorillonite (MMT) nanocomposite by in situ polymerization with modified layered silicates (organoclays). Clay nanoparticles caused an increase in cell density and a reduction in cell size compared to pure PU foam [21]. Shen et al. (2005) used CNFs as nucleating agents to form PS microcellular foams. Sc-CO2 was chosen as the blowing agent due to low cost, non-toxic, non-flammable and environmentally harmless nature. The researchers reported that the presence of small amounts of CNF can significantly increase cell densities and reduce cell sizes. In comparison, the SWCNTs and nanoclays were used to produce PS foams under the same foaming conditions. The nucleation efficiency, defined as the ratio of the quantitatively measured cell density to the potential nuclear density, is used to compare the nucleation efficiency of different particles. Depending on this parameter; the CNF exerted and excellent nucleation effect on PS foaming process [22]. Alteepping et al. (1990) obtained foams with a density less than 0.2 g cm-3 using polypropylene thermoplastic material with different viscosities by extrusion method. Fine-celled structures with a cell size of 300 µm were obtained with the appropriate selection of foaming and nucleating agents [23].


Production Methods of Polymer Foams


Conventional polymer foams can be produced by intermittent processes such as batch foaming, injection molding and rotational molding, as well as by continuous processes such as extrusion [24].


Batch foaming method


In batch foaming, the polymer material is initially saturated with a foamer such as N2 or CO2 under a certain temperature and pressure (Figure 4).


Figure 4. Schematic representation of the batch process [25]


Two different methods can be chosen in cell nucleation following the saturation of a sample with the foamer. In the first method; the saturation temperature behaves like the foaming temperature when the saturation temperature is close to or above the glass transition temperature of the sample (supercritical state). The sample foams at this temperature with rapid release of pressure. Nucleation takes place due to the decrease in pressure (ΔP) and the ratio of pressure decrease (ΔP/Δt). In the second method; the expansion of the sample will be constrained by the rigidity of glassy structure when the saturation temperature is lower than the glass transition temperature of the sample. The saturated sample is heated to a temperature above the glass transition temperature at the high oil bath temperature. This high temperature is known as the foaming temperature, and nucleation occurs with increasing temperature (ΔT) and rate of temperature increase (ΔT/Δt). Regardless of the type of nucleation, the growth of nuclei is stopped by cooling the sample at a temperature below the glass transition temperature of the polymer. The amount of product will be low in this process, because the saturation time will range from a few hours to several days depending on the sample size. Low quantity of the product negatively affects the production cost. In addition, the expansion rate of foams produced by this method will be low. The most important factors determining the cell density in the batch process are saturation time (spread-dispersion time of the foamer in the polymer), saturation pressure, saturation temperature and pressure reduction rate [6,10].


Extrusion Foam Molding


Foaming process by extrusion method has been introduced to shorten the saturation time, which is long in the batch method. In the extrusion foaming method, single screw extruder, twin screw extruder and tandem extruders where two extruders are connected to each other and each extruder has independent mixing and cooling can be used. The schematic view of the single screw extruder system in which CO2 gas is used as the foaming agent is given in figure 5. Foam material production process in the extrusion method takes place in five main stages, which are; plasticization, formation of polymer-gas solution, cell nucleation, cell growth and cell stability. Continuous extrusion foaming method has advantages such as high efficiency, easy control, flexible product shaping and low cost compared to the batch method [6,10].


Figure 5. Foam production stages in continuous extrusion method [26]


Foam injection molding


Molding injection technique, which is a widely used polymer foam production technique, consists of gas degradation, cell nucleation, cell growth and product shaping steps. A schematic view of a typical foam injection molding device is given in Figure 5. The basic elements of an injection machine are a hopper, an injection screw, the heaters and a mold, respectively. In the molding injection method, the foamer is injected into the molten polymer from the foamer inlet [6,10]. The polymer is injected from the hopper as shown in the figure 6.


Figure 3. Foam injection molding device [25]


Unlike the standard molding injection technique, the mold volume is not fully filled, but the amount of injected gas-charged polymer is reduced. The polymer material is heated to a temperature above the glass transition temperature in molding injection method. The gas produced by the foamer in the mold is suddenly released (sudden reduction of pressure in the mold). Nucleation of cells and subsequent cell growth fill the remaining spaces of the mold. The molded polymer foam material is cooled to the solidification point following the completion of expansion. Low viscosity caused by the dissolved gas and low injection pressure are the advantage of the injection foam production method. Foam material production by the injection has more advantageous in the production of complex shaped parts compared to the extrusion foam material production method. Thick-walled parts such as furniture, television cabinets can be produced by using chemical foaming agents in the molding injection technique [6,10].


The polymeric nanocomposite foams are produced by integrating nanocomposite production technology and traditional foaming process. The production of nanocomposite foams takes place in two stages. First, the nanocomposite is produced by one of the in situ polymerization, melt blending and solution mixing methods and then foamed with physical or chemical blowing agents.


A solvent or solvent mixture is used in the solution blending method to disperse the nanoparticles and dissolve the polymer matrix. A weak van der Waals force holds the layers together. Therefore, nanoparticle aggregates can be disintegrated in a correct solvent. The polymer chains are then adsorbed on the nanoparticles. The nanoparticles are re-aggregated with the removal of the solvent. The production of a very few nanocomposites is the disadvantage of this method. Another disadvantage of this method is the need for a large amount of solvent, which increases the product cost. The types of polymers that can be used to synthesize nanocomposites depend on the appropriate choice of solvent. This constrains the applicability of the method. However, this method is suitable for preparing nanocomposites based on water-soluble polymers and layered silicate nanocomposites. Because most water-soluble polymers are polar and hydrophilic enough to interact with the silicate surface without the need for cation exchange modification on the silicate surface [10,27-29].


The melt blending method is an industrially viable for producing polymer nanocomposites. The polymer and graphitic nanofillers are added to the extruder and mixed vigorously several times in a melt state above their melting temperature. In this method, polymer mobility occurs mainly due to thermal energy. Since solvents are not needed during the manufacture of composites, the melt bending method is cost-effective and also environmentally friendly. Unlike in situ polymerization and solution blending techniques, melt blending method often provides a fine balance between mechanical and electrical properties, leading to faster application of the method to commercial products [27,28].


In situ polymerization is an effective technique to improve the dispersion of nanoparticles added to polymers. Suitable additives and fillers are used in the in situ method for the polymerization of the monomer (and/or oligomer) with the appropriate polymer matrix. This creates a robust interaction between polymers and reinforcing materials. The mechanical, thermal and conductivity properties of composites obtained by in situ polymerization method are higher compared to those prepared by melt blending or solution bonding techniques. Therefore, in situ polymerization is the most preferred method [27,28].


Following the production of polymeric nanocomposites by one of aforementioned methods, physical or chemical foaming agents are added into the nanocomposite at a certain temperature and pressure to transform it into gas phase. In this way, the polymer nanocomposite is foamed and converted into a polymeric foam [27,28].


Foamers


Foamers used in foam production are known as physical foamers (PBA) and chemical foamers (CBA). Both type of foamers are added to the polymer matrix at a certain pressure and temperature and turn into gas phase by evaporation under the effect of ambient temperature. But they differ in the source of gas production. The CBAs are reaction products, while the PBAs gasify a significant portion of the polymer matrix under foaming conditions. The amount and type of a foamer affects the density and cell formation of the final product. The chemical foaming products are more common than physical foaming products. The foamers used in foam production depend on the type of polymer, the production volume and the impact on the environment. In addition, decomposition products of the foamer remain in the polymer structure and type of gas released after the decomposition are also important to determine the foamers. The mechanical properties of the polymeric foams affect the thermal insulation properties and environmental health. Therefore, the appropriate foamer should be used in the production of polymeric foam [6].


Chemical foamers


Chemical foamers are additives and degrade with increasing temperature during the process. The gas is produced by the decomposition of additives. Both organic and inorganic chemicals are used as chemical foaming agents. Many organic chemical foamers are available, while a very limited number of inorganic foamers are available. The most widely used chemical foaming agent is azodicarbonamide which is quite harmless, and decomposes at about 200 ºC. The products of azodicarbonamide left from the system in foam formation are even more dangerous. Carbon monoxide and ammonia are produced during the decomposition. Other exothermic chemical foamers are OBSH (4,4’oxybis (benzene sulfon hydrazide)) and 5-PT(5-phenly tetrazole). Azodicarbonamide accounts for 90% of chemical foaming sales among the chemical foaming agents [6,30,31].


Physical Foamers


Physical foamers are liquids or compressed gases that may turn into volatile gases. The liquid foamers evaporate with the decrease in heat and pressure. Typical physical foamers are volatile gaseous chlorine-fluorocarbons (CFCs), hydro-chloro-fluoro-carbons (HCFCs), hydro-fluoro-carbons (HFCs), hydrocarbons (butane, pentane, propane), alcohols, inert gases (CO2, N2, argon) and water vapor.


The use of chlorine-fluorine-carbon (CFC) has been prohibited by the Montreal Protocol due to its damage to ozone layer. Long chain hydrocarbon foamers are propane, butane and pentane, and the emissions of long chain hydrocarbon foamers are low due to their low volatility. The low diffusion offers a great advantage in cell growth control due to the slow escape of gas from the cell. However, the fire hazard is high, especially in closed-cell foams. In addition, polymeric foams produced from the long chain foamers require long storage time to fully act on the product, which increases the cost of foam products. Inert gas foamers (CO2, N2 and argon) have high diffusion abilities and high volatility compared to long chain foamers, thus, very high density foams can be obtained. The CO2 is the most preferred inert gas foamer being inexpensive, non-toxic and non-hazardous to the environment (zero ozone hazard). Micro-cellular foams produced using supercritical CO2, which has been shown as sc-CO2 since the 1990s, have attracted the attentions in the industry. The advantage of Sc-CO2 over CO2 gas is its greater solubility and diffusion properties in the polymer. Thus, the time required for the gas to decompose and diffuse is much shorter, making the product more industrially viable. The desired properties such as low cost, non-toxic, non-flammable, chemically inert and easily accessible and supercritical conditions (Tc: 31.1oC, Pc: 7.38 MPa) have made SCF the most important foaming agent. The use of physical foamers has following advantages compared to the use of chemical foamers. The physical foamers have advantages such as better process control, less waste and products with better cell morphology, low cost, products with large volume expansion rates and no processing temperature limit [6,32,33].


Sauceau et al. (2008), who investigated the effect of mould temperature on the porous structure, produced foam using single screw extrusion by adding supercritical carbon dioxide (sc-CO2) to polystyrene. The Sc-CO2 acted as a foaming agent during loosening while passing through the mold and caused a change in the rheological properties of the material in the extruder’s hive. Both compounds were mixed in the extruder by injecting Sc-CO2 into the extruded melt, creating a porosity of 15-25% in the polymer. The researcher investigated also the effect of mold temperature and CO2 on the porosity concentration of the material. The results revealed that the mold temperature controls the porous structure, and the concentration of CO2 does not have a significant effect on the porous structure of the polymer [34].


Chul and Lewis (1997) investigated the parameters affecting the cell morphology of PP foams produced by extrusion method using iso-pentane and CO2. The cell density increased with the increase in the amount of foamer, and the cell density reached the highest values with increasing pressure when CO2 was used as the foamer. Cell aggregation in plain PP foam was higher. The cell structure was more easily damaged when the extruded foams were cooled slowly. Better foam structure was obtained in branched PP foams due to increased bubble stability [35].


Cisneros et al. (2008) investigated the effects of different mold temperatures on the cell size, cell density and shell layer thickness of HDPE structural foams produced by molding injection method using chemical foaming agents. The impact and bending strengths of the foams were also determined. The results showed that the impact and bending strengths decreased with the increase in the mold temperature, and the impact strength increased with the increase in the total shell layer thickness [36].


Xin et al. (2010) produced PP polymer foam by foam injection molding method by adding chemical foamer and waste rubber powder to the PP matrix. The researchers investigated the effects of melting temperature, injection speed, screw pitch and amount of foaming agent on the morphological and mechanical properties of the foams. The results showed that the amount of foamer is the most important parameter affecting the cell size, cell density and tensile strength, and the tensile strength increases with the increase in the thickness of the foam shell layer [37].


CONCLUSION



REFERENCES


Adam N.,“A study of direct gas injection foam extrusion of polyolefins for a wire coating application”, Degree of Master of Science, University of Massachusetts Lowell, USA, (2006).

Saçaklı, M.,“ Polymeric foams”, Polymer Technology, 3th edition, Gazi kitabevi, Ankara, 350- 366 (2014). (in Turkish).

Srivastava, V., Srivastava, R., “On the polymeric foams: modeling and properties”, Journal Material Science, 49, 2681-2692, (2014). https://www.google.com/polimer Foams. Accessed on October 09, 2022. (in Turkish).

Koçyiğit, N., “ Improving the nonflammability properties of expandable polystyrene materials with nanoparticle reinforcement”,PhD,Gazi University Institute of Science and Technology, Ankara, 6-7, (2022).

Yetgin, S.H., Ünal, H., “Polymer-based foam materials”, D.P.Ü. Institute of Science and Technology Polymer Based Foam Materials, 17, 2008.

Kılıç, F., “Chemical recovery of waste blown polystyrene”, Istanbul University Institute of Science and Technology, Chemical Engineering, İstanbul,15, (2007)

Şahin, T., “Optimization of insulation material production parameters from inflatable polystyrene beads”, M.Sc., Istanbul University Institute of Science and Technology, İstanbul, 4-6, (2012).

Maio, E.D.,Mensiteri, G.,Iannace, S.,Nicolais, L.,Li, W.,Flumerfelt, R.W.,“Structure optimization of polycaprolactone foams by using mixtures of CO2 and N2 as blowing agents” ,Polymer Engineering and Science, 45(3), 432-440, 2005.

Lee, L.J.,Zeng, C.C.,Cao, X.,Han, X.,Shen, G.,“Polymer nanocomposite foams”,, ), 2344-2363 (2005).

Wang, L.,Zhou, H.,Wang, X.,Jianguo Mi, J.,“Evaluation of Nanoparticle Effect on Bubble Nucleation in Polymer Foaming”,The Journal of Physical Chemistry C, 120(47), 26841-26851, 2016.

Liu, S.,Zoetebier, B.,Hulsman, L.,Zhang, Y., Duvigneau, J.,Vancso, G.J.,Nanocellular polymer foams nucleated by core-shell nanoparticles”, Polymer,104, 22-30, (2016).

Liu, S.,Beer, S.D.,Batenburg, K.M.,Gojzewski, H., Duvigneau, J., Vancso, G. J., Designer core-shell nanoparticles as polymer foam cell nucleating agents: The impact of molecularly engineered interfaces”, ACS Applied Materials & Interfaces,  13(14), 17034-17045, (2021).

Colton, J.S.,Suh, N.P.,“The nucleation of microcellular thermoplastic foam with additives Part I. Theoretical considerations”, Polymer Engineering Science, 27(7), 485 (1987).

Colton, J.S.,Suh, N.P.,“The nucleation of microcellular thermoplastic foam with additives Part II. Experimental results and discussion”,Polymer Engineering Science, 27(7), 493 (1987).

Colton, J.S.,Suh, N.P.,“Nucleation of microcellular foam: Theory and practice”,Polymer Engineering Science, 27(7), 500 (1987).

Liu, S.,Eijkelenkamp, R.,Duvigneau, J.,Vancso, G.J.,“Silica-assisted nucleation of polymer foam cells with nanoscopic dimensions: Impact of particle size, line tension, and surface functionality”, ACS Applied Materials Interfaces, 9, 37929-37940, (2017).

Goren, K.,Chen, L.,Schadler, L.S.,Ozisik, R.,“Influence of nanoparticle surface chemistry and size on supercritical carbon dioxide processed nanocomposite foam morphology”,The Journal of Supercritical Fluids, 51(3), 420-427, (2010).

Emrani, A.S.,Nasr-El-Din, H.A.,“An experimental study of nanoparticle-polymer-stabilized CO2 foam”,Colloids and Surfaces A: Physicochemical and Engineering Aspects, 524,17-27, (2017).

Zeng, C.,Han, X.,Lee, L.J.,Koelling,  K.W.,Tomasko, D.L.,“Polymer–clay nano composite foams prepared using carbondioxide”,Advanced Materials,15(20), 1743-1747 (2003).

Cao, X., Lee, L.J.,Widya , T.,Macosko, C.,“Polyurethane/clay nano composites foams: processing, structure and properties”,Polymer, 4(3), 775-783 (2005).

Shen, J., Zeng, C., , L.J.,“Synthesis of polystyrene–carbon nanofibers nanocomposite foams”, , ), 5218-5224 (2005).

Alteepping J.,Nebe, J. P.,“Production of low density polypropylene foam”,USA Patent, 4(940), 736, (1990).

Ünal, H.,Yetgin, S.H.,“Polipropilen köpük malzemenin mekanik özelliklerine ve hücre morfolojisine proses şartlarının etkisinin incelenmesi”,IATS’11,6th International Advanced Technologies Symposium, Elazığ,17, 117-128 (2011).

Haurat M.,Dumon, M.,“Amorphous polymers’ foaming and blends with organic foaming-aid structured additives in supercritical CO2, a way to fabricate porous polymers from macro to nano porosities in batch or continuous processes”, Molecules, 25(22), 5320 (2020).

Lee, E.K.,“Novel manufacturing processes for polymer bead foams”,The Degree of Doctor of Philosophy, Department of Materials Science and Engineering University of Toronto, Canada, 33-42 (2010).

Camargo, P.H.C.,Satyanarayana, K.G.,Wypych, F.,“Nanocomposites: Synthesis, Structure, Properties and New Application Opportunities”,Materials Research, 12(1), 1-39, (2009).

Hamadneh, N.,“Science and applications of Tailored Nanostructures Polymer nanocomposites-synthesis techniques, classification”,Science and applications of Tailored Nanostructures, 4th Chapter,50-53.

Aram, E.,-Ataei, S., M.,“A review on the micro- and nanoporous polymeric foams: Preparation and properties”, International Journal of Polymeric Materials and Polymeric Biomaterials, 65(7), 358-375 (2016).

Coste G.,Negrell, C.,Caillol, S.,“From gas release to foam synthesis, the second breath of blowing agents”,European Polymer Journal, 140, 110029, (2020).

Ruiz, J.A.R.,Vincent, M., Agassant,J.-F.,Sadik, T.,Pillon, C.,Carrot, C.,“Polymer foaming with chemical blowing agents: Experiment and modeling”,Polymer Engineering and Science, 55(9), 2018-2029, (2015).

Jin, F.-L.,Zhao, M.,Mira Park, M.,Park, S.-J.,“Recent trends of foaming in polymer processing: A review”, Polymers, 11, 953, (2019).

Koçyiğit, N., “Expandable polystyrene foam blowing agents”,UBAK, 3rd International Congress of Applied Sciences, Diyarbakır, 76-78, (2019).

Sauceau, M., Nikitine, C., Rodier, E., Fages, J., “Effect of supercritical carbon dioxide on polystyrene extrusion”, Journal of Supercritical Fluids, 43(2), (2008).

Chul B. P., Lewis K. C., “A Study of Cell Nucleation in the Extrusion of Polypropylene Foams”,Polymer Engineering and Science, 37(1), 1-10 (1997).

Cisneros, C.T.,Nunez R.G.,Rodrigue, D.,“Effect of mold temperature on morphology and mechanical properties of injection molded HDPE structural foams”,Journal of Cellular Plastics, 44, 223-237 (2008).

Xin, Z. X.,Zhang, Z. X.,Pal, K.,Byeon, J. U.,Lee, S. H.,Kim, J. K.,“Study of microcellular injection-molded polypropylene/waste ground rubber tire powder blend”,Materials and Design, 31, 589-593 (2010).